roundup toaster manual

Antunes Toaster Error Codes | Home Decoration Image. 18 Pics about Antunes Toaster Error Codes | Home Decoration Image : Roundup 9210100 Commercial Vertical Contact Toaster - Toasts Up To 7000, Labeled Toaster Parts Diagram - Designer Toaster and also Toastmaster TP424 4 Slice Pop-Up Commercial Toaster.

Antunes Toaster Error Codes | Home Decoration Image

Antunes Toaster Error Codes | Home Decoration Image balleerina.blogspot.com

chromatography foods toaster antunes codes error liquid analysis common text

Best Toasters Reviews And Ratings 2014 | A Listly List

Best Toasters Reviews and Ratings 2014 | A Listly List list.ly

toaster oster slice toasters shipping list consider buying things

The Best Toaster For 2021 | Reviews By Wirecutter

The Best Toaster for 2021 | Reviews by Wirecutter www.nytimes.com

toaster tostapane toasters wirecutter hession breville

Roundup 9200620 Commercial Vertical Contact Toaster - Toasts Up To 2800

Roundup 9200620 Commercial Vertical Contact Toaster - Toasts Up To 2800 www.centralrestaurant.com

roundup toaster 2800 toasts slices vertical hour commercial mfg central brand

Early Electric Toasters

Early Electric Toasters toastercentral.com

toasters toaster

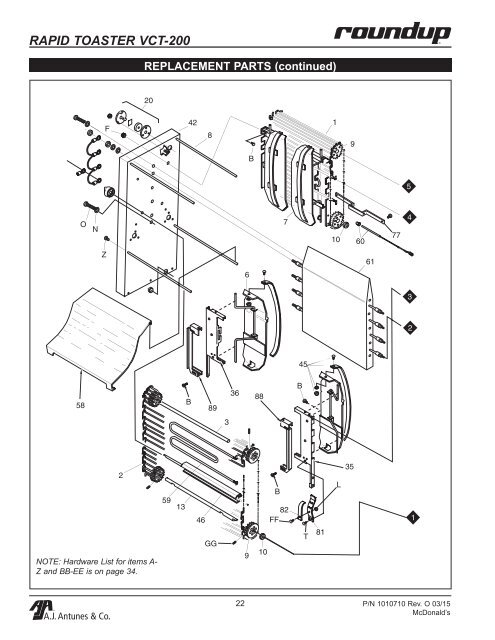
Labeled Toaster Parts Diagram - Designer Toaster

Labeled Toaster Parts Diagram - Designer Toaster designertoaster.blogspot.com

toaster labeled diagram parts aj antunes roundup label labels industrial control

Roundup 9210100 Commercial Vertical Contact Toaster - Toasts Up To 7000

Roundup 9210100 Commercial Vertical Contact Toaster - Toasts Up To 7000 www.centralrestaurant.com

toaster toasts

TOASTERS

TOASTERS www.thanksamillionimports.com

Toastmaster TP424 4 Slice Pop-Up Commercial Toaster

Toastmaster TP424 4 Slice Pop-Up Commercial Toaster toastmaster.toasteroven.biz

toaster toastmaster toasteroven defrost upright

Antunes/Roundup Repairs - MCE Restaurant Electronics Repairs

Antunes/Roundup Repairs - MCE Restaurant Electronics Repairs restaurantrepairs.com

toaster antunes roundup manual repairs mce electronics restaurant

The Evolution Of The Toaster Timeline | Timetoast Timelines

The Evolution of the Toaster timeline | Timetoast timelines www.timetoast.com

toaster timetoast loaded spring

Long Slot Toaster Uk | Decoration Ideas For Bathroom

Long Slot Toaster Uk | Decoration Ideas For Bathroom maispecialplace.blogspot.com

bosch toasters reevoo

Dough Roller, Mixer, Steamer, Toaster – Taiya Company Ltd 太亞聯合有限公司

Dough roller, Mixer, Steamer, Toaster – Taiya Company Ltd 太亞聯合有限公司 taiyacom.com

The Latest Colourful Kitchen Appliances - The Interiors Addict

The latest colourful kitchen appliances - The Interiors Addict theinteriorsaddict.com

longhi theinteriorsaddict habitusliving nicest delonghi

Roundup VCT-2000 Vertical Contact Toaster – Taste Tools

Roundup VCT-2000 Vertical Contact Toaster – Taste Tools tastetools.com

Early Electric Toasters

Early Electric Toasters toastercentral.com

toasters

18 1/2” W X 8 1/2” D X 8 1/2” H Two Slice Commercial Toaster - Serv-U

18 1/2” W x 8 1/2” D x 8 1/2” H Two Slice Commercial Toaster - Serv-U www.servu-online.com

slice

APW Wyott M-83 APW Wyott Bun Grill Conveyor Toaster - Commercial

APW Wyott M-83 APW Wyott Bun Grill Conveyor Toaster - Commercial www.centralrestaurant.com

toaster bun conveyor wyott apw grill vertical commercial m83 toasters restaurant 120v electric wasserstrom mfg central brand

Longhi theinteriorsaddict habitusliving nicest delonghi. Antunes toaster error codes. Toaster timetoast loaded spring