s13 headlight wiring diagram

Wiring Manual PDF: 180sx Wiring Diagram. 16 Pictures about Wiring Manual PDF: 180sx Wiring Diagram : Wiring Manual PDF: 180sx Wiring Diagram, Nissan Silvia S15 Wiring Diagram - Wiring Diagram and also 2000 Chevy S10 Headlight Wiring Diagram Database.

Wiring Manual PDF: 180sx Wiring Diagram

Wiring Manual PDF: 180sx Wiring Diagram wiringmanualpdf.blogspot.com

wiring diagram 180sx s13 manual pdf sr20 resources

Ecobee Smart Thermostat Wiring Diagram - Wiring Diagram

Ecobee Smart Thermostat Wiring Diagram - Wiring Diagram wiringdiagram.2bitboer.com

thermostat ecobee humidifier honeywell headcontrolsystem dehumidifier

| Repair Guides | Lighting Systems (2002) | Exterior Lights | AutoZone.com

| Repair Guides | Lighting Systems (2002) | Exterior Lights | AutoZone.com www.autozone.com

schematics 2002 headlights autozone fig

Wiring Diagram PDF: 180sx Headlight Wiring Diagram

Wiring Diagram PDF: 180sx Headlight Wiring Diagram wiring-pdf.blogspot.com

s13 s14 sr20 sr20det

2000 Chevy S10 Headlight Wiring Diagram Database

2000 Chevy S10 Headlight Wiring Diagram Database www.dentistmitcham.com

2carpros imageservice

Ae86 Fuse Box - Wiring Diagram Networks

Ae86 Fuse Box - Wiring Diagram Networks kelvin-okl.blogspot.com

ae86 fuse box wiring diagram toyota

2004 Nissan Altima Fuse Box Diagram / Fuse Box Nissan Xterra 2004

2004 Nissan Altima Fuse Box Diagram / Fuse Box Nissan Xterra 2004 9007-wiring-diagram71.blogspot.com

fuse xterra schematic justanswer microfinanceindia

| Repair Guides | F Car | Lighting Systems (2 Of 3) | AutoZone.com

| Repair Guides | F Car | Lighting Systems (2 Of 3) | AutoZone.com www.autozone.com

autozone headlight leveling schematics fig 2001 scandinavia europe repair

SW-EM Headlight Notes

SW-EM Headlight Notes sw-em.com

wiring fog headlight light notes sw em diagram suggested sylvania control optional foglight circuit shown includes rear

JOHN DEERE 5103 FUSE PANEL DIAGRAM - Auto Electrical Wiring Diagram

JOHN DEERE 5103 FUSE PANEL DIAGRAM - Auto Electrical Wiring Diagram edu-apps.herokuapp.com

fuse

2000 S10 Tail Light Wiring Diagram - Wiring Site Resource

2000 S10 Tail Light Wiring Diagram - Wiring Site Resource wiringdatabaseinfo.blogspot.com

schematic database

JOHN DEERE 5103 FUSE PANEL DIAGRAM - Auto Electrical Wiring Diagram

JOHN DEERE 5103 FUSE PANEL DIAGRAM - Auto Electrical Wiring Diagram edu-apps.herokuapp.com

x500 trol x540 l130 mower z425

Wiring Manual PDF: 1929 Studebaker Wiring Diagram

Wiring Manual PDF: 1929 Studebaker Wiring Diagram wiringmanualpdf.blogspot.com

wiring studebaker wrg

Nissan Silvia S15 Wiring Diagram - Wiring Diagram

Nissan Silvia S15 Wiring Diagram - Wiring Diagram wiringdiagram.2bitboer.com

wiring diagram nissan harness 240sx s14 sr20det 1992 s13 starter alternator bakkie diagrams ka24de autozone 1400 engine wire silvia s15

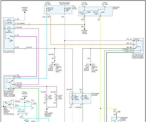
Headlight Wiring Diagrams Please?: My Headlights On My Car Stop

Headlight Wiring Diagrams Please?: My Headlights on My Car Stop www.2carpros.com

headlight

When I Step On The Brake, The Warning Light On The Dash Comes On. Have

When I step on the brake, the warning light on the dash comes on. Have www.justanswer.com

light subaru diagram wiring module trunk warning rh trim panel behind any help dash

Wiring diagram pdf: 180sx headlight wiring diagram. Wiring diagram nissan harness 240sx s14 sr20det 1992 s13 starter alternator bakkie diagrams ka24de autozone 1400 engine wire silvia s15. Thermostat ecobee humidifier honeywell headcontrolsystem dehumidifier

close